Western Power load applications
 
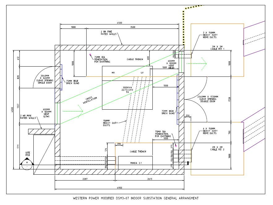
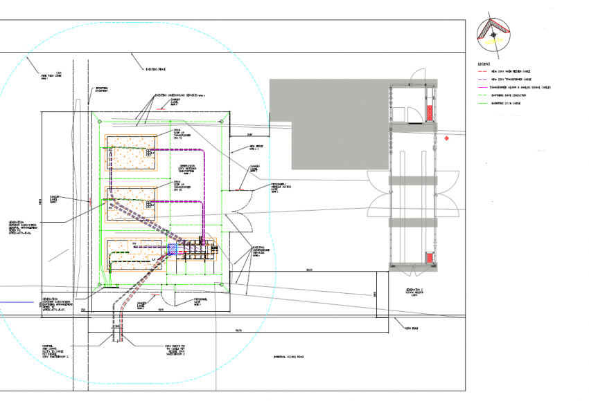
            Western Power substation arrangement
 
            Western Power cable route details
 
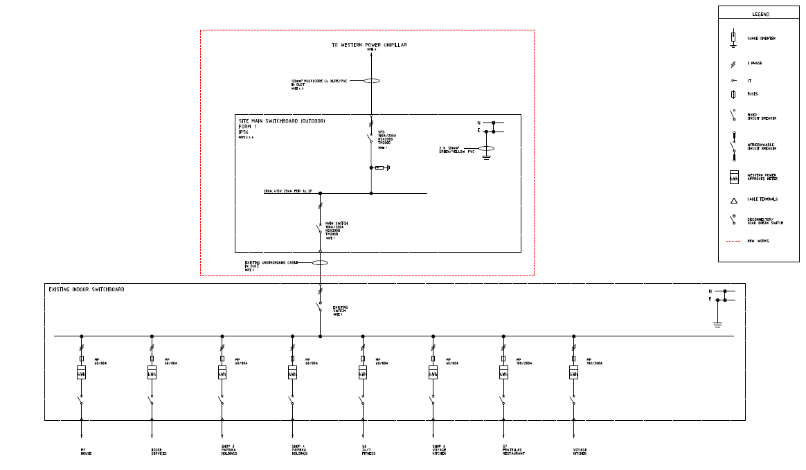
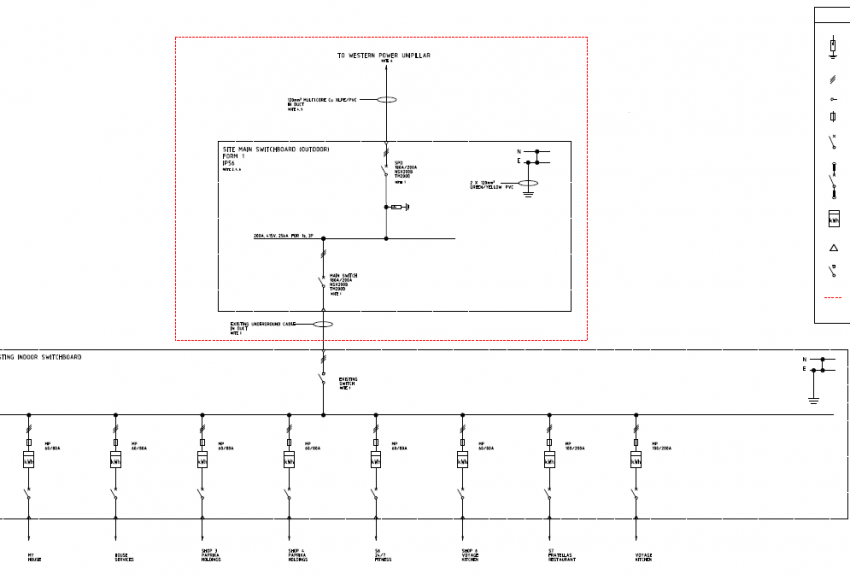
            Western Power Single line diagram
 
            Western Power generation applications
 
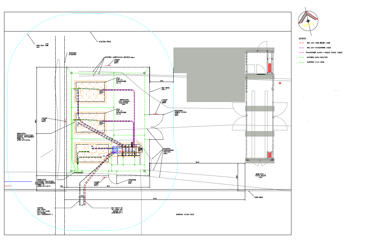
            Western Power Generation substation arrangement
 
            Western Power Generation earthing arrangement
 
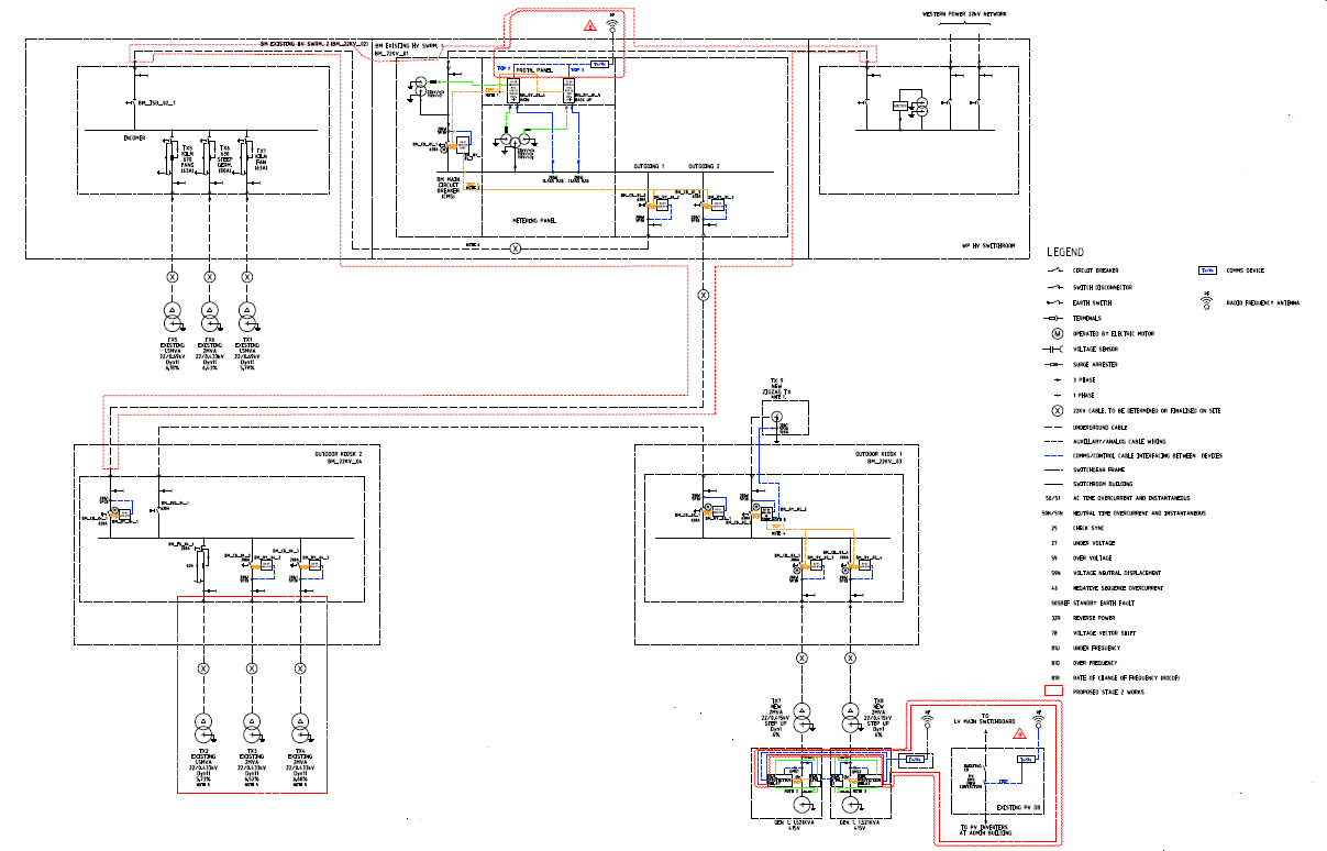
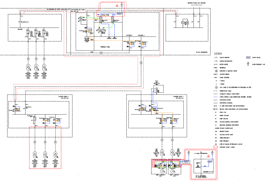
            Western Power Generation SIngle line diagram
 
            







