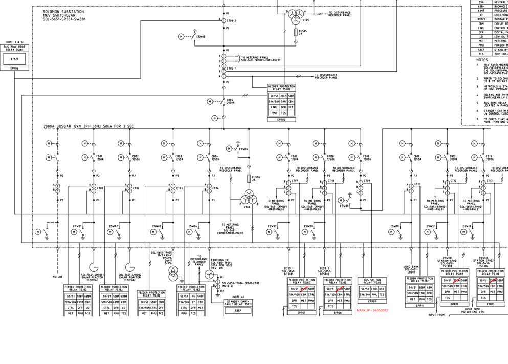
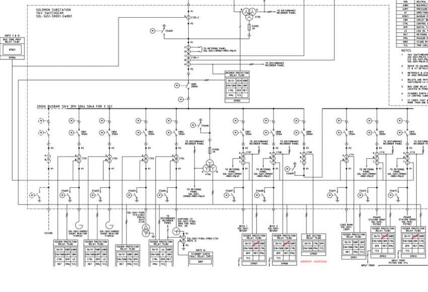
Protection SLD
 
            Protection Modelling
 
            Configuration and setting file
 
            Protection scheme testing
 
            Protection Relay back view
 
            Protection Relay front view
 
            





With strong understanding in varies protection schemes (i.e. distance, differential, voltage based, current based, frequency based etc.) , we can assist you in determining the right protection scheme, calculation and conduct protection coordination study that is required for your system reliability and network security.
