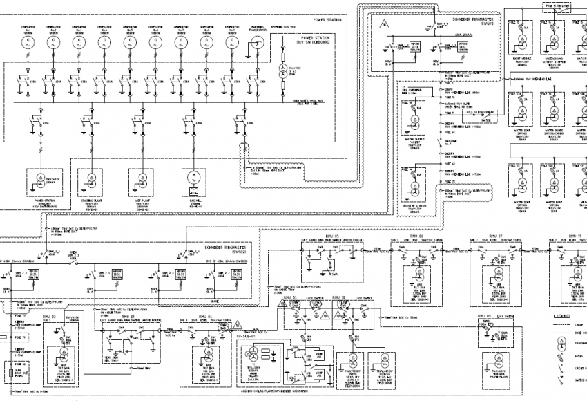
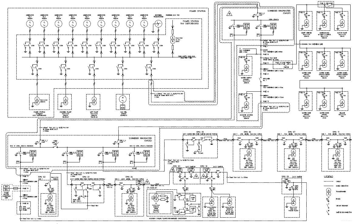
Single line diagram
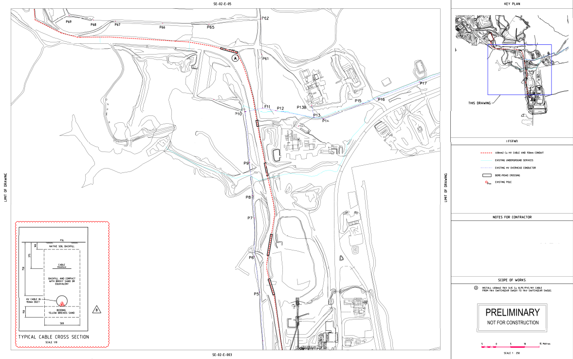
Overall cable route details
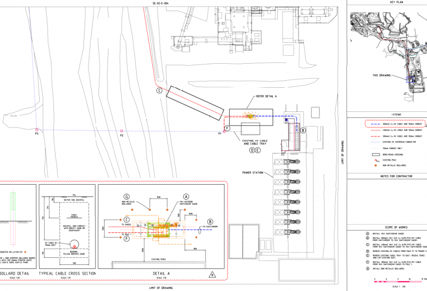
Cable route details
Cable route details 2
Overhead line design
Overhead line design pole schedule
Distribution pole details






